繞組連接方式 ( Winding Type ) | 星形 ( Star connection) |
霍爾分布角度 ( Hall Effect Angle ) | 120度電角度 ( Electrical Angle of 120 degree) |
徑向間隙 ( Radial Play ) | 0.02mm@450g |
軸向間隙 ( Axial Play ) | 0.14mm@450g |
最大徑向負載 ( Max radial force ) | 20N 距法蘭10mm ( 10mm From the flange) |
最大軸向負載 ( Max axial force ) | 10N |
介電強度 ( Dielectric Strength ) | 600VAC/1S |
絕緣電阻 ( Insulation Resistance ) | 100MΩ, 500VDC |
環(huán)境溫度 ( Ambient Temperature ) | -20°C ~ +50°C |
絕緣等級 (Insulation Class) | Class B |
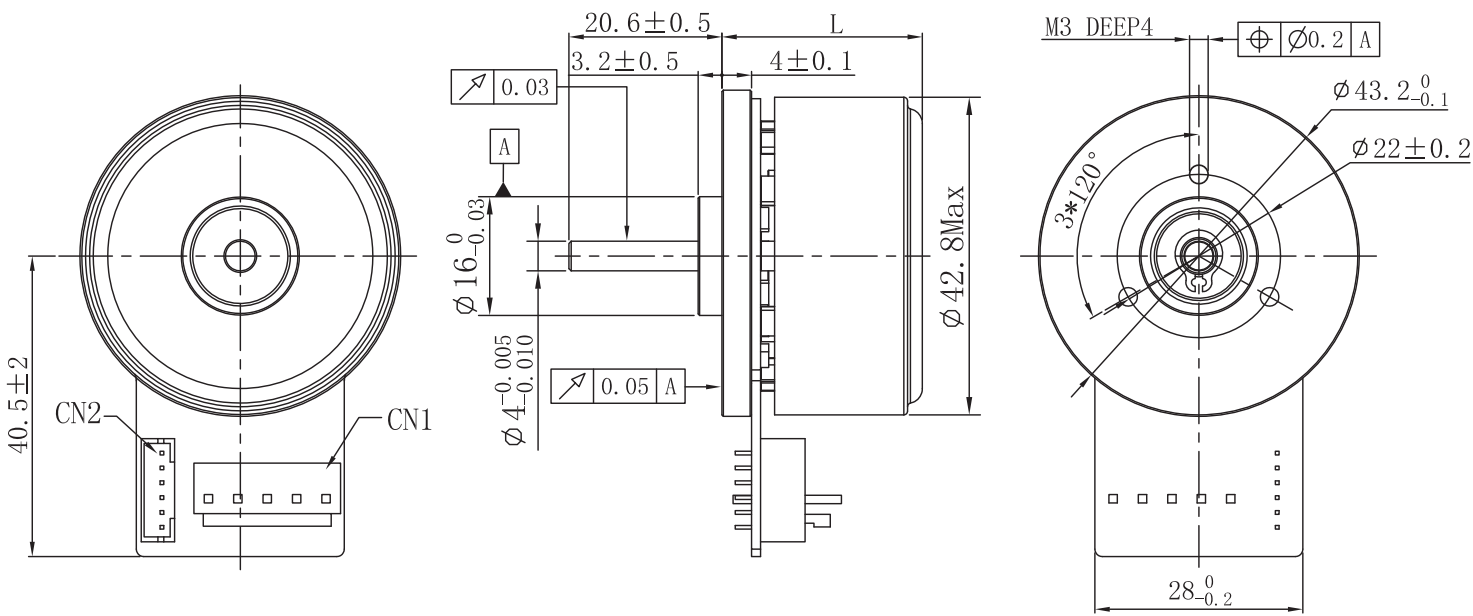
接插件型號Connector Model | Pin位Pin number | 功能Functions |
JST B6B-PH-K-S | Pin 2 | 霍爾電源正 ( Vcc ) |
Pin 3 | 霍爾 U ( Hu ) | |
Pin 4 | 霍爾 V ( Hv ) | |
Pin 5 | 霍爾 W ( Hw ) | |
Pin 1/ Pin 6 | 霍爾電源負 ( GND ) | |
JST B5P-VH | Pin 2 | U相 ( Phase U ) |
Pin 3 | V相 ( Phase V ) | |
Pin 4 | W相 ( Phase W ) | |
Pin 1/ Pin 5 | 電源負 ( GND ) |
單 位 (Unit) | FL45BLW18-24V-7130A | FL45BLW21-24V-6750A | FL45BLW27-24V-6170A | |
極數 ( Number of poles ) | 16 | |||
相數 ( Number of phases ) | 3 | |||
額定電壓 ( Rated voltage ) | VDC | 24 | ||
額定轉矩 ( Rated torque) | mN.m | 50 | 84 | 130 |
連續(xù)運行轉矩 ( Continuous stall torque) | mN.m | 60 | 100 | 156 |
額定速度 ( Rated speed ) | RPM | 5000 | 5260 | 4840 |
額定功率 ( Rated power ) | W | 30 | 50 | 70 |
峰值轉矩 ( Peak torque ) | mN.m | 150 | 250 | 390 |
峰值電流 ( Peak current ) | A | 4.3 | 7.4 | 11 |
線電阻 ( Line to line resistance ) | ohms@20℃ | 1.42 | 0.72 | 0.56 |
線電感 ( Line to line inductance ) | mH | 0.59 | 0.33 | 0.27 |
轉矩常數 ( Torque constant ) | mN.m/A | 35.2 | 34.4 | 37.1 |
反電勢 ( Back EMF ) | Vrms/KRPM | 2.61 | 2.55 | 2.75 |
轉動慣量 ( Rotor inertia ) | g.cm2 | 100 | 135 | 180 |
機身長度 ( Motor length ) L | mm | 18 | 21.6 | 27 |
重量 ( Weight ) | Kg | 0.08 | 0.12 | 0.15 |
該款電機可以根據客戶需求定制。
The motor can be designed &manufactured with customized request.

Copyright 2023 版權所有 江蘇富興電機技術股份有限公司 蘇ICP備05002292號-1